Du bist nicht angemeldet.
Stergi
Senior Member




Stergi
Senior Member




Dieser Beitrag wurde bereits 2 mal editiert, zuletzt von »Stergi« (18. Mai 2010, 21:00)
Stergi
Senior Member




Dieser Beitrag wurde bereits 1 mal editiert, zuletzt von »Stergi« (18. Mai 2010, 21:55)
Stergi
Senior Member




Stergi
Senior Member




Dieser Beitrag wurde bereits 1 mal editiert, zuletzt von »Stergi« (20. Mai 2010, 17:55)
Stergi
Senior Member




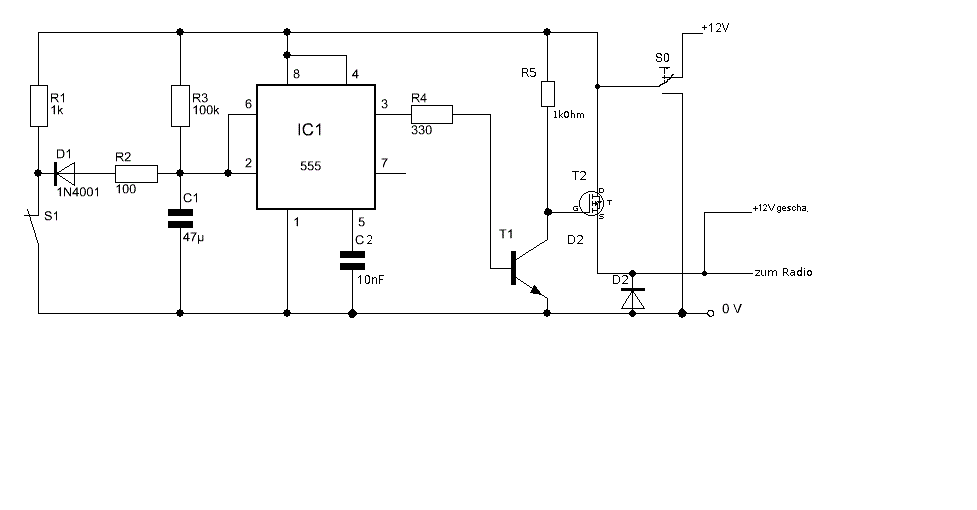
deshalb war unnötigerweise aus einer anderen überlegung die dritte diode drin, dass die 12V (geschalten) nicht rückwärts die schaltung aktivieren, aber der Mos blockt ja die spannung rückwärs daran hatte ich gestern net gedacht und deshalb die sperrdiode da reingesetzt
ich werd dann mal die tage bei reichelt schaun und mir den kram zusammenkaufenDieser Beitrag wurde bereits 1 mal editiert, zuletzt von »Stergi« (20. Mai 2010, 23:19)
Stergi
Senior Member





Dieser Beitrag wurde bereits 1 mal editiert, zuletzt von »Stergi« (21. Mai 2010, 12:02)
Stergi
Senior Member






Dieser Beitrag wurde bereits 1 mal editiert, zuletzt von »Stergi« (29. Mai 2010, 14:33)
-