• 31.03.2026, 00:07
  • S’inscrire
  • Connexion
  • Vous n’êtes pas connecté.

 

KatanaArthur

Full Member

IC-Frage: Audio IC-Beschaltung

vendredi 2 avril 2010, 13:31

Hallo Community

Die Feiertage sind gut, gut um ein bisschen zu basteln.
Bauen wollte ich mir ein Stereo Verstärker um einfach mal ein bisschen mit der Materie auseinandere zu setzen.

Ich bin jetzt auf einen IC gestoßen einen TDA 1524A

Das ist ein Lautstärke und Tone (Bass und Höhe) Regler

An sich is das nen toller IC laut seinem Datenblatt

Das einzige was mich wundert ist die Beschaltung in seinem Datenblatt (im Anhang ist der Ausschnitt aus dem Datenblatt)

Beide Eingänge und Ausgänge haben einen Elektrolytkondensator vorgeschaltet diese sind ja gepolt.
Ein Audiosignal ist eine Wechselspannung und hat daher Positive und Negativen anteil und ein Elektrolytkondensator bzw ein gepolter Kondensator kann eigentlich keien Wechselspannung.

So weit ich mich entsinnen kann. Ich frage mich bzw will ich euch fragen muss ich die Kondesatoren da drin lassen/beim aufbauen die Kondesatoren hinzufügen oder kann ich die auch getrost weglassen und mit die paar Cent sparen ?



lg
Artur
KatanaArthur a envoyé l’image suivante :
  • Stero Tone Volume Controler.JPG
Mein EYE 910 Gehäuse im umbau --> Klick <-- @ Meisterkühler.de

Und nicht vergessen... immer schön flüssig bleiben :D

sebastian

Administrator

vendredi 2 avril 2010, 18:24

die kondesatoren müssen auf jeden fall drin bleiben,
die entfernen die gleichspannungsanteile aus dem eingangssignal und schützen deine Lautsprecher.
Statt elkos kannst du auch mkt kondensatoren nehmen.
Wechselspannung bekommen die nicht, nur ein signal > 0V. Der IC wird ja nur single suply betrieben, also nur mit einer spannung, und nicht mit +5V, GND, -5V. somit wird ne virtuelle masse erzeugt.

Limbachnet

God

vendredi 2 avril 2010, 19:12

Das Problem mit Elkos am Ein- und Ausgang ist, dass man den Gleichspannungspegel der jeweils gegenüberliegenden Stufe nicht kennt.

Gut, am Ausgang wird wohl ein Lautsprecher dranhängen, der hat keine Spannungsversorgung und ist daher passiv. Da kann man also davon ausgehen, dass das asymmetrische Ausgangssignal des TDA immer positiver ist als der neutrale Lautsprecher. Da kann man daher Elkos verwenden, und man darf (wie sebastian ja auch schon richtig geschrieben hat) den Kondensator auch nicht weglassen, weil sonst die Lautsprecherspulen mit einem Gleichstrom beaufschlagt werden - und das mögen die gar nicht.

Am Eingang hingegen liegt irgendeine Audioquelle. Wenn die ihrerseits einen Ausgangskondensator hat, dann ist das Eingangssignal gleichspannungsfrei und man kann am (positiv vorgespannten) TDA auch einen Elko verwenden. Dann liegen im Signalweg zwei Kondensatoren in Reihe, was die untere Grenzfrequenz nach oben schiebt. Wenn das Signal der Audioquelle das gleiche Gleichspannungslevel hätte wie der TDA, dann könnte man diese beiden Kondensatoren weglassen und hätte etwas mehr Bass. Aber da man meist mehrere verschiedene Audioquellen an einem Verstärker betreiben will, wird das in der Regel nix und man muss alle Kondensatoren drinlassen.

KatanaArthur

Full Member

samedi 3 avril 2010, 13:38

Okay, danke für die erklärung und ich werde die Kondensatoren dann drin lassen.

Ich fragte nur zur sicherheit weil ich wegen einer anderen Audioschaltung in einem anderen Forum wort wörtlich niedergeknüppelt worden bin weil ich einen Elko im Eingang hatte.
Anstatt hilfestellung wurd ich doch leicht zu sau gemacht und das der Elko mir eher um die ohren fliegen würde und keine vernüftige Antwort dabei heraus kam.

lg und vielen dank

Artur
Mein EYE 910 Gehäuse im umbau --> Klick <-- @ Meisterkühler.de

Und nicht vergessen... immer schön flüssig bleiben :D

KatanaArthur

Full Member

lundi 5 avril 2010, 17:16

Sorry für den Doppelpost aber ich dachte bevor ich einen neues Thema aufmache missbrauche ich das alte eben weil es sich auch um einen Audio IC handelt.

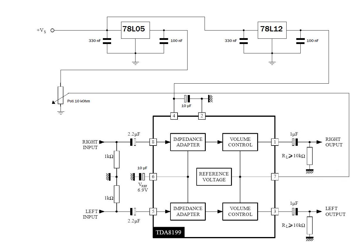
Diesmal ist es ein TDA 8199. Dieser IC ist grob gesagt ein Lautstärkeregler der über Gleichspannung von 0.5 bis 4.5 Volt die Lautstärke anpasst.

Ich hab einmal die Origenal Beschaltung aus dem Datenblatt und meine Beschaltung hochgeladen. Nun wollte ich jetzt wissen ob das so richtig ist oder ob irgentwo ein Fehler drin ist in meiner Schaltung. Wenn ja wie sollte es korriegiert aussehen ?

Die Referenzspannungn denk ich kann man mit einem 10 µF puffern ?
Die Eingangsspannungn genauso mit einem 10 µF

Es sind zwei Festspannungsregler verbaut. Einmal 12 Volt für den IC und 5 Volt für die Steuergesichte.

Laut meiner Rechnung müsste ich ein 4,7 kOhm Poti nehmen hab aber zur sicherheit ein 10 kOhm eingezeichnet.

lg
Artur

Ich hoffe ich geh keinen damit stark auf die nerven Ich bin noch ein leichter Neuling auf dem Gebit der Elektrotechnik. Ich will mich da jetzt nen bisschen tiefer einarbeiten.
KatanaArthur a envoyé les images :
  • DC Volume Control.JPG
  • DC Volume Control Beschaltung.JPG
Mein EYE 910 Gehäuse im umbau --> Klick <-- @ Meisterkühler.de

Und nicht vergessen... immer schön flüssig bleiben :D

Limbachnet

God

lundi 5 avril 2010, 22:56

Das sieht IMHO ganz gut aus...

Zu bedenken ist bei dem Chip, dass das wirklich nur ein Lautstärkesteller mit Vorverstärker, aber kein Leistungsverstärker ist. Die Last darf nicht unter 10kOhm sein, also definitiv keine Lautsprecher...
Und die Pufferkonsensatoren am Eingang der beiden Spannungsregler reichen nur dann, wenn die Spannung vom Netzteil schon eine geglättete Gleichspannung ist. Wenn hingegen nur ein Universal-Netzteil vorhanden ist, was zwar einen Brückengleichrichter, aber keine Glättung bietet, dann muss da noch mindestens ein Elko hin.

Citation

Ich hoffe ich geh keinen damit stark auf die nerven Ich bin noch ein leichter Neuling auf dem Gebit der Elektrotechnik. Ich will mich da jetzt nen bisschen tiefer einarbeiten.


Och, erst mal selber suchen und dann gezielt nachfragen ist IMHO genau richtig. Lass' Dich von den Hifi-Puristen oder Schaltungsprofis (?) im anderen Forum nicht ins Bockshorn jagen...

KatanaArthur

Full Member

mardi 6 avril 2010, 19:28

Puh dann kann ich doch ein paar sachen richtig machen.

Also die ganze Schaltung soll nur als Pegeleinsteller benutzt werden fürs Auto. Ein Bekannter von mir hat ne dicke Endstufe für seine Sabbelwoofer (zu gut deutsch Subwoofer) und die wollte er jetzt wohl gern vom Fahrersitz aus in der Laustärke regeln wollen.

Der Chip wird dann auch nur in den Signalweg eingeschliffen.

Ich weiß jetzt nicht wie gut die Spannungen beim Auto sind.
War da noch nie mit einem Oszilloskop dran um mal zu schauen wie sauber die Gleichspannung ist.
Mein EYE 910 Gehäuse im umbau --> Klick <-- @ Meisterkühler.de

Und nicht vergessen... immer schön flüssig bleiben :D

Limbachnet

God

mardi 6 avril 2010, 19:53

Oh, Auto - das fängt mit "Au" an und hört mit "o" auf, das gilt leider auch für Elektronik-Basteleien.

Die Gleichspannung im Auto ist *eigentlich* recht sauber. Uneigentlich ist sie aber mit Störungen verseucht, ich zitiere mal aus der de.dse-FAQ (ohnehin lesenswert):

"Dabei hat ein Autoakku 8 Volt beim Anlassen, 12.6 Volt beim Rumstehen, 14.4 Volt beim Fahren, 28.8 Volt beim Jumpstart vom LKW, kurzzeitig -100 Volt wenn ein Relais abfällt oder +100 Volt wenn ein Kabel der Lichtmaschine einen Wackelkontakt hat. "

Und für Audio kommt zusätzlich erschwerend dazu, dass man sich sehr leicht Brummschleifen einfängt, die bei laufender Lichtmaschine aber natürlich nicht brummen, sondern sirren.

Ich will Dich nicht verschrecken, probier's einfach aus und freu Dich, wenn alles funktioniert - aber sei nicht zu enttäuscht, wenn es "nur eigentlich" funktioniert.

sebastian

Administrator

mardi 6 avril 2010, 20:46

man bekommt auch ne spannung im Auto recht sicher sauber, gerade wenn man nur wenig strom benötigt,
Ne Diode + R-L-C kombination für den 12V eingang und hinterher noch ne Surpressor Diode + Elko, anschließend einen 5V Regler für die Elektronik.
Damit sollte man eigentlich alles abfangen was da so kommen kann.
Brumschleifen sind eigentlich auch kein Problem so lange man separate kabel legt und nicht das gehäuse vom auto als masseleitung nutzt - wie das ja sogern von einigen "HIFI Spezialisten" gemacht wird.
Eine Masse ist immer recht unkritisch so lange man eine gute Stern verkabelung macht (nur ein zentraler massepunkt).

Limbachnet

God

mercredi 7 avril 2010, 01:08

Absolut richtig - aber massefreie Audio-Verbindungen sind rar... :S
Ich hab' beispielsweise mal so eine umgebungsgeräuschabhängige Lautstärkeregelung für's Auto gebastelt. Die spielte gerne das Lied von der Lichtmaschine. Also hab' ich die Masseleitungen der Audio-Kabel aufgetrennt und die Spannungsversorgung auf schön sternförmig umgebaut, wie Du völlig zutreffend empfohlen hast. Naja, das Summen wurde leiser, immerhin - aber weg ging's nicht. Die Schleife muss über die Eingangswiderstände geschlossen gewesen sein - ich hab's nicht hinbekommen. Und der Discman spielte in jenem Auto auch nur summfrei, wenn er entweder über Batterie lief oder über die galvanisch getrennte Stromversorgung (mein erster Schaltwandler), die ich dann nachgerüstet habe (und die mir nach dem Urlaub die Autobatterie leergefressen hat...). Damals war's. :rolleyes:

Ich wollte nur vorwarnen, dass es im Auto ungeahnte Probleme geben *kann* - aber nicht muss. Man kann schließlich auch mal Glück haben. :)

Discussions similaires