Vous n’êtes pas connecté.

Based on this photo, the connector is type B but it will NOT fit because of that "bridge" from the Backplate! The area overlaps with the AMPINEL. This would only work if you removed a piece of the backplate.I assume 5090 SUPRIM is TYPE A?
18 monthsHow long is the included update period for aquasuite software?
junluo168
Newbie

junluo168
Newbie

I believe this is TYPE A. (Do you need one for 5080?)
ViRuS2k
Newbie

Ce message a été modifié 1 fois. Dernière modification effectuée par "ViRuS2k" (8 février 2026, 07:13)
Gilgallard
Newbie


Rin
Newbie

Ce message a été modifié 1 fois. Dernière modification effectuée par "Rin" (8 février 2026, 18:11)
I think you need to ask the author of HWINFO (Martin Mailk) this question. My guess is he will add support for the Ampinel, but it may take some time to do so. He has added support for many other Aquacomputer devices, so has already figured out how Aquacomputer does things - Communication method, protocol structure, command sets, data mapping, scaling formulas, device ID, features. Aquacomputer does not publish this information, so adding support requires some reverse engineering. It's also a lot easier to do this if you have physical access to the device. The author of SIV has reverse engineered and added support for a lot of products from various manufacturers by having people who want new devices supported chip in to buy one for him. I don't know how Martin handles this, but I do know that the author of SIV will sometimes do the reverse engineering and then share the required information with Martin. If the Ampinel immediately sells out and they are hard or impossible to get, this process will take longer.HI, I would like to know if will be posible monitoring the ampinel with hwinfo64. Thank you
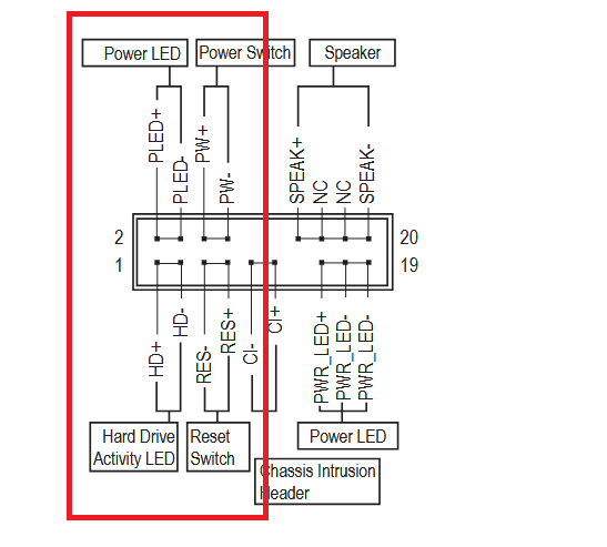
I don’t know, but my guess is the cable to turn off the computer power is the same as or similar to PRODUCT #53216, at least on the motherboard end. To install this cable, you remove the 2-pin connector from the case power switch from the motherboard power header and plug it into the 2-pin male connector on the #53216 cable. Then the 2-pin female connector on the cable plugs into the case power header on the mobo. This puts the #53216 cable in parallel with the case power switch cable. Since your system has a unified header, you may need to find an adapter cable, or buy a 2-pin power connector, de-pin the power contacts from the unified connector, insert them into the 2-pin power connector, and then plug that into the #53216 type cable.Hello,
I have a question about the Ampinel,
Im not sure i fully understand, but i couldn't find about the connecting wires, only that it has ''Power switch output for motherboard (Signal 1)'' (wich im guessing is a single pin)
I'm guessing the Ampinel should get connected to the F_Panel header of the motherboard no? to be able to shutdown the pc.
We are in contact with Martin, and he is receiving (as always) all the necessary information from us.I think you need to ask the author of HWINFO (Martin Mailk) this question
Currently, the alarm limits are set at approximately 650–680W and cannot be changed. If this is exceeded, an alarm is triggered in the Ampinel.1. What happens if we exceed the 650w limit (modded bios)?
No2. Can we set the Ampinel to stop and restart the GPU driver via a sensor value trigger?
-