You are not logged in.
Schleicher
Junior Member



This post has been edited 2 times, last edit by "Schleicher" (Jan 13th 2022, 12:49am)

Du könntest die Verbindung auch weglassen und dir mit einem paar Schnellverschlüsse einen "Kurzschluß" bauen, falls der Radiator nicht montiert ist.
Dops
Senior Member




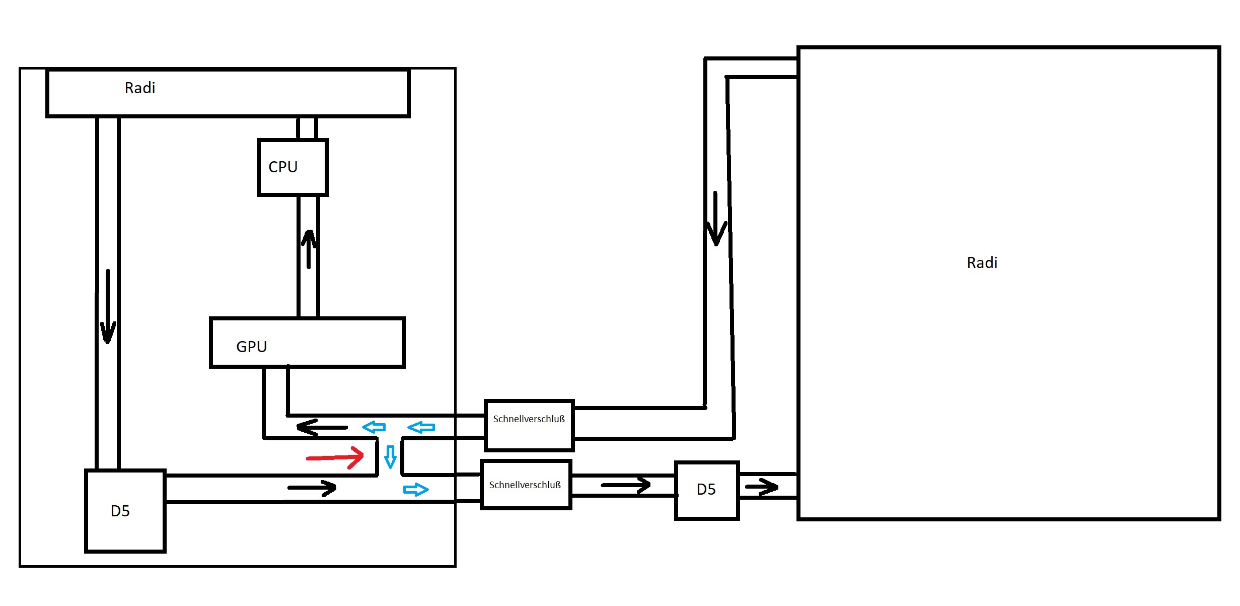
hallo zusammen
ich hab hier ewig nichts geschrieben aber in erinnerung das hier wenn man freundlich fragt immer geholfen wird
ich möchte meinen funktionierenden wasserkreis gerne um einen externen radiator erweitern
ich hab um mein "problem" zu erklären mal eine *hust* zeichnung gemacht
die schnellverschlüsse sperren ja automatisch wenn ich sie trenne, dann dürfte alles laufen wie immer
benötige ich an der mit rotem pfeil markieren stelle ein absperventil oder regelt die externe pumpe das automatisch mit dem wasserfluss?
ich stehe grade auf dem schlauch und würde mich über ideen meinungen oder im besten fall wissen freuen
viele dank schonmal im voraus
Schleicher
Junior Member


@Taubenhaucher
d5 next ist im einsatz, aber virtueller durchfluss funktioniert doch nur mit einer pumpe im system, oder?
Dops
Senior Member




Wird es das? Und wieviel? Reicht die Menge an Flüssigkeit die durch
@Dops
das hatte ich mir auch überlegt aber selbst wenn die externe pumpe viel zu stark wäre sollte doch eigentlich immer noch was von der internen "gesaugt" werden, oder nicht?
Ja, mit der aquasuite sollte das gehen, aber ich glaube die Pumpen werden nie bei einer Drehzahl bleiben sondern immer wieder ihre Drehzahl ändern.
Quoted
@all
danke schonmal das ihr euch gedanken macht. ist es möglich mit 2 flowmetern 2 pumpen in der leistung zu steuern?
dann wäre das wahrscheinlich der weg um sicher zu gehen
Das ist auch ein elganter Ansatz
ich habe es so gemacht, dass ich meine Schnelltrennkupplungen verdreht eingebaut habe, also so das an den Schläuchen, die aus dem Case kommen jeweils ein männlicher und ein weiblicher hängen sodass ich die zusammenkuppeln kann um den Loop zu schließen ohne Radis (zum befüllen). Schläuche hängen aber so 20cm aus dem Case heraus.
Dops
Senior Member





Schleicher
Junior Member


This post has been edited 2 times, last edit by "Schleicher" (Jan 13th 2022, 3:27pm)
Dops
Senior Member




Hufeisen
Senior Member




Ohne Display kannst du den High Flow LT oder den High Flow 2 nehmen, je nach optischen Anforderungen.welche sensoren sind denn die richtigen? mit display brauche ich nicht zwingend
This post has been edited 1 times, last edit by "Hufeisen" (Jan 13th 2022, 6:55pm)
-