• 11.10.2025, 16:50
  • Registrieren
  • Anmelden
  • Sie sind nicht angemeldet.

 

starlight

Full Member

Dienstag, 22. Juni 2010, 13:05

welche Chipsatz - und spannungswandlerkühler passen denn auf mein MoBo?

Edit:
Ich habe folgende Kühler gefunden: EK Water Blocks EK-FB GA AMD KIT. Ist das zu empfehlen? Oder gibt es da enwas ähnliches (besseres ;P) vom AC?

Achja: Ich hab die GraKa dank Lieferschwierigkeiten wieder abbestellt. Daher sind jetzt erstmal 400€ mehr aufer Bank.
Wie schauts eigentlich mit dem Gehäuse hier von AC aus? ist das zu empfehlen? oder doch dann lieber was kaufen und selber basteln?

mfg starlight

Dieser Beitrag wurde bereits 1 mal editiert, zuletzt von »starlight« (27. Juni 2010, 23:36)

GA-MA790XT-UD4P | Phenom II 955 BE | HD 4870x2 cooled by Airplex Revolution

starlight

Full Member

Sonntag, 27. Juni 2010, 23:37

Gemeintes Gehäuse: Lian Li PC-A77B schwarz, mit Deckelausschnitt für Radiator und Ausgleichsbehälter

Edit: Statt der neuen Graka binde ich meine HD4870x2 mit in den Kreislauf ein und übertakte diese so weit es geht. dann hab ich ja fast ne 5870 (halt nur ohne DX11)
Edit2: Ich finde den Kühler nicht mehr. Ist der nicht mehr erhältlich? :(

Dieser Beitrag wurde bereits 2 mal editiert, zuletzt von »starlight« (27. Juni 2010, 23:42)

GA-MA790XT-UD4P | Phenom II 955 BE | HD 4870x2 cooled by Airplex Revolution

starlight

Full Member

Donnerstag, 1. Juli 2010, 23:16

*Thema anstoß*
GA-MA790XT-UD4P | Phenom II 955 BE | HD 4870x2 cooled by Airplex Revolution

starlight

Full Member

Sonntag, 4. Juli 2010, 11:30

So ich habe noch eine briliante idee :)

Ich habe ja beim CM 690 hinten 2 wasserschlauchausgänge. Ich könnte somit den Radiator extern montieren.

Wie könnte ich so etwas gestallten? ich würde sagen im rechten winkel oben auf das gehäuse oder?

Ist das machbar? Welche Winkelgroßen bräuchte ich? Bohrlöcher/abstände etc.

mfg Starlight
»starlight« hat folgendes Bild angehängt:
  • Radi.jpg
GA-MA790XT-UD4P | Phenom II 955 BE | HD 4870x2 cooled by Airplex Revolution

SeYeR

God

Sonntag, 4. Juli 2010, 13:10

Abstandshalter
zur Montage von airplex PRO/XT (Set 4 Stück mit Schrauben)


4 Löcher von unten, und den Radiator Waagerecht auf den Deckel Schrauben.

Es gab mal auch Edelstahlbleche für die Deckel Montage, aber die sind wohl Eol

Wenn es soweit ist werden Wir eine Ankündigung machen. Zeitpläne oder ähnliches gibt es von uns nicht mehr, da einige nicht damit umgehen können wenn es doch mal länger dauert.

starlight

Full Member

Sonntag, 4. Juli 2010, 22:16

Ist die Winkelversion nicht so empfehlenswert? mein gehäuse hat oben drauf ein Maschengitter und Lüfter.
Wie löse ich das? Wollte die Lüfter eigentlich im betrieb lassen. Auch die Befestigung der schrauben könnte ein Problem werden, da bohren nicht wirklich möglich.
GA-MA790XT-UD4P | Phenom II 955 BE | HD 4870x2 cooled by Airplex Revolution

Mohrchen

Senior Member

Sonntag, 4. Juli 2010, 22:21

Wenn das Gehäuse oben schon Lüfter hat, hast du doch halbe Arbeit. Nagel doch den Radiator so auf den Deckel, das die vorhandenen Lüfter den gleich durchblasen.

es ist unmöglich etwas ganz sicher zu machen denn Dummköpfe sind einfach zu erfinderisch

starlight

Full Member

Sonntag, 4. Juli 2010, 22:33

Wie gesagt, da ist ein Maschengitter, befestignung so schwierig. und: es sind 2 Lüfter, ich brauch aber min nen 360 denk ich.

ein 240 ist für MB, CPU und GPU zu wenig.
GA-MA790XT-UD4P | Phenom II 955 BE | HD 4870x2 cooled by Airplex Revolution

Mohrchen

Senior Member

Sonntag, 4. Juli 2010, 22:41

Das Maschengitter ist kein Problem, da geht die Luft auch durch und dürfte die Kühlleistung kaum beeinträchtigen. Lasse den Radiator doch nach hinten überstehen, dort noch einen Lüfter drunter und die beiden vom Deckel mitgenutzt. Das sollte funktionieren und auch noch halbwegs ordentlich aussehen.

es ist unmöglich etwas ganz sicher zu machen denn Dummköpfe sind einfach zu erfinderisch

starlight

Full Member

Sonntag, 4. Juli 2010, 23:08

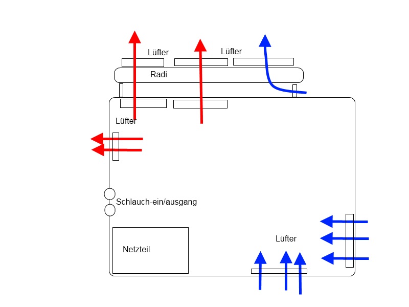
ok. die idee schaut doch schonmal gut aus. was ist dann eigentlich mit den abstantshalter? sollte ich vllt. groößere löcher in das Gitter machen und somit den Radi vollständig drauf machen? Das wird das sozusagen eine Push-Pull-Konfi

Edit: etvl. Aussehen siehe Anhang
Edit2: Ich hab das mal eben ausgemessen: er wird doch hinter überstehen, wie geraten.
»starlight« hat folgendes Bild angehängt:
  • gehäuse.jpg

Dieser Beitrag wurde bereits 2 mal editiert, zuletzt von »starlight« (4. Juli 2010, 23:45)

GA-MA790XT-UD4P | Phenom II 955 BE | HD 4870x2 cooled by Airplex Revolution

Mohrchen

Senior Member

Montag, 5. Juli 2010, 01:08

Das war nicht geraten, vorne hast du doch die Ablage mit den USB und eS-ATA. ;) Den hinteren Lüfter würde ich auch nach innen pusten lassen, hast du mehr Kühlung für die Spannungswandler, die sitzen bei vielen Boards da. Die Abstamdshalter würde ich weglassen und wie schon geschriben die inneren Lüfter nutzen. Sieht auch besser aus als solch Wasserfaß auf dem Dach. Die Lüfter auf dem Radi würde ich weglassen und einfach nur eine Blende auf den Radiator als Abschluß und Schutz machen.

Dieser Beitrag wurde bereits 1 mal editiert, zuletzt von »Mohrchen« (5. Juli 2010, 01:11)


es ist unmöglich etwas ganz sicher zu machen denn Dummköpfe sind einfach zu erfinderisch

starlight

Full Member

Montag, 5. Juli 2010, 10:51

Aber wie befestige ich den ohne die halter auf dem gitter? Oo Oder soll ich das gitter ausschneiden und den da drin versenken?

Die blende gibts doch einzeln oder? suche mir die mal raus ;)
GA-MA790XT-UD4P | Phenom II 955 BE | HD 4870x2 cooled by Airplex Revolution

Mohrchen

Senior Member

Montag, 5. Juli 2010, 11:35

Den brauchst du nur von unten, durch das Gitter anschrauben. Die Schrauben kommen dann von unten durch die Lüfter, das Gehäuse ind den Radiator und halten den. Als Radiator würde ich gleich den airplex Revolution kaufen. Die Einbaublende ist Gechmackssache, entweder die aus Edelstahl oder die pulverbeschichtete Die Schrauben bekommst du zusammen mit der Blende, mußt du nicht extra kaufen.

es ist unmöglich etwas ganz sicher zu machen denn Dummköpfe sind einfach zu erfinderisch

SeYeR

God

Montag, 5. Juli 2010, 11:49

Ich würde das Gehäuse wieder Verkaufen, und zu einem Lian-Li greifen...
Aber das liegt wohl an meiner Abneigung zu Externen Radiatoren auf dem Deckel.

Wenn es soweit ist werden Wir eine Ankündigung machen. Zeitpläne oder ähnliches gibt es von uns nicht mehr, da einige nicht damit umgehen können wenn es doch mal länger dauert.

Mohrchen

Senior Member

Montag, 5. Juli 2010, 11:52

Ja das schönste ist das nicht, aber wenn´s grade nicht anders geht... Weist ja, aller Anfang ist schwer. ;)

es ist unmöglich etwas ganz sicher zu machen denn Dummköpfe sind einfach zu erfinderisch

SeYeR

God

Montag, 5. Juli 2010, 12:06

Zurnot gibt es ja noch das Anfänger Case.

Lässt sich gut bearbeiten, und hat ausreichend Platz.

Wenn es soweit ist werden Wir eine Ankündigung machen. Zeitpläne oder ähnliches gibt es von uns nicht mehr, da einige nicht damit umgehen können wenn es doch mal länger dauert.

Mohrchen

Senior Member

Montag, 5. Juli 2010, 12:25

Naja, bei dem Chieftec kaufst nun aber auch gleich die Spinnenweben mit, das ist doch schon etwas in die Jahre gekommen und nicht wirklich jedermanns Geschmack.

es ist unmöglich etwas ganz sicher zu machen denn Dummköpfe sind einfach zu erfinderisch

starlight

Full Member

Montag, 5. Juli 2010, 15:38

Jop das vorgestelle gehäuse ist wirklich nicht mein Fall. Probleme mit deinem Externem Radi hab ich keine. Dann weis sogar jeder, dass ich ne wasserkühlung habe ;P

Zurück zum CM: Naja aber das Gitter hat nen abstand von ca. 2cm zu den Lüftern. und so durch das gitter möchte ich nicht schrauben.
GA-MA790XT-UD4P | Phenom II 955 BE | HD 4870x2 cooled by Airplex Revolution

Mohrchen

Senior Member

Montag, 5. Juli 2010, 15:45

Ich bringe da ja auch was durcheinander, deine Lüfter sind ja nicht von oben geschraubt, sondern liegen unten in solch einer Halterung, richtig?
Soo, mir grade mal angesehen. Du müßtest doch ein paar kleine Löcher in den Deckel machen, sofern das Gitter nicht gleich die passenden Löcher hat. Dann von unten durch die vorhandenen Bohrungen für die Lüfter Schrauben durch, die bis in die Bohrungen vom Radiator reichen. Aber vorsicht, die Schrauben nicht zu lang nehmen, sonst geht der Radiator kaputt. Der Radi hat für die Art von Befestigung gleich die passenden Gewindestücke. Das wäre also die einfachste Art, alles zu befestigen.

Dieser Beitrag wurde bereits 2 mal editiert, zuletzt von »Mohrchen« (5. Juli 2010, 15:57)


es ist unmöglich etwas ganz sicher zu machen denn Dummköpfe sind einfach zu erfinderisch

starlight

Full Member

Montag, 5. Juli 2010, 21:39

Ok ich Merk schon, mein Gehäuse ist doof :) Die Lüfter sind in keiner Halterung sondern geschraubt. Das Gitter ist als Blende aufgesetzt. Da ist bohren nicht möglich...

Sollte ich evtl. doch zu einem Gehäuse von AC greifen? Hier sind ja schon fertige zu haben.

Und dann: komplettset oder Gehäuse + selber bauen?
Das eine ist günstiger das andere leichter. Was ist für mich mehr zu empfehlen?
Ich bin zwar kein Profi, dennoch leidenschaftlicher Bauer :)

MfG
GA-MA790XT-UD4P | Phenom II 955 BE | HD 4870x2 cooled by Airplex Revolution

Ähnliche Themen