• 12.11.2025, 07:14
  • Registrieren
  • Anmelden
  • Sie sind nicht angemeldet.

 

drdeath

Senior Member

Beschaltung Durchflusssensor für Aquaero

Sonntag, 20. März 2011, 19:49

Hallo zusammen,

Ich wüsste gerne, welche Beschaltung der Aquaero für seinen Durchflusssensor erwartet. Hintergrund der Frage ist ganz schlicht, dass ich mir einen Adapter für meinen Koolance-Durchflussensor basteln möchte.

Gruß, Doc
Hier geht's zum RGBAmp
Hinweis: Der RGBAmp stammt nicht von AC und wird nicht offiziell supported!
Note: The RGBAmp is not an AC product and isn't officially supported.

sebastian

Administrator

Sonntag, 20. März 2011, 20:03

Steht doch soweit ich weiß auch im Handbuch, Du benötigst einen Flow Sensor der ein Open Collector Rechtecksignal zur Verfügung stellt.
Anzahl der Impulse muss Proportional zum Durchfluss sein, und das Impuls/Pausen verhältniss muss 1:1 sein. (Ist aber bei den meisten Sensoren so).

drdeath

Senior Member

Sonntag, 20. März 2011, 20:12

So steht's im Handbuch, ja. "Open Collector" bedeutet für mich im Allgemeinen, dass der Ausgang eines IC gemeint ist. Was der Aquaero also letztlich erwartet ist, dass der Tachopin von dem Durchflussensor auf Masse gezogen wird, ja? Theoretisch könnte man dann ja auch einen schlichten Reed-Kontakt zwischen Tacho und Masse schalten und den 5V-Pin offen lassen, oder spricht da was dagegen?
Hier geht's zum RGBAmp
Hinweis: Der RGBAmp stammt nicht von AC und wird nicht offiziell supported!
Note: The RGBAmp is not an AC product and isn't officially supported.

drdeath

Senior Member

Sonntag, 20. März 2011, 20:49

Das ginge natürlich nur, wenn der Tachopin einen internen Pull-Up-Wiederstand hat. Wenn nicht müsste man den 5V-Pin mit einem Pull-Up-Wiederstand auf den Tachopin schalten, und den Tachopin dann mittels eines Reed-Kontaktes auf Masse ziehen. Richtig gedacht?
Hier geht's zum RGBAmp
Hinweis: Der RGBAmp stammt nicht von AC und wird nicht offiziell supported!
Note: The RGBAmp is not an AC product and isn't officially supported.

sebastian

Administrator

Sonntag, 20. März 2011, 21:59

ich weis nicht was du machen willst: aber an das aquaero kann nur ein Sensor angeschlossen werden wenn der Sensorausgang einen Open Collector hat:
http://www.elektronik-kompendium.de/sites/slt/1206121.htm

Wenn du den Sensor woanders anschließen willst, dann musst du wie auch immer deine richtigen Spannungspegel selbst erzeugen.
Aber sobald du anfängst an das aquaero was anderes anzuschlie0en als einen Open collector ausgang, gehts mit großer sicherheit kaputt.

drdeath

Senior Member

Montag, 21. März 2011, 00:18

Was ein Open Collector-Ausgang ist weiss ich schon - im Grunde ist das ja ein ganz simpler Pull-down. Was genau man daran anschliessen kann/muss/darf, das kommt jetzt sehr auf die interne Beschaltung des Aquaero an, spezifisch darauf ob und wenn ja welchen internen pull-up der Tachoeingang des Aquaero hat.

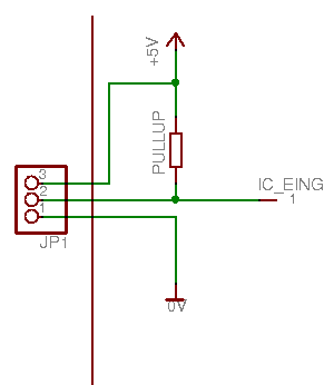
Das ganze kann entweder so aussehen:



In diesem Falle wäre etwa so eine Beschaltung so vorgesehen:



Oder es könnte intern so ausssehen:



Dann wäre die vorgesehene Beschaltung etwa diese:



Beide Beschaltungen sind im Grunde einfache Transistor-Pulldowns. Im Grunde kann man in so einem Fall den Trigger und den Transistor auch weglassen und den Eingang direkt mit dem Reed-Kontakt auf Masse ziehen, da auch ein Reed-Kontakt in der Lage ist, ein sehr sauberes Rechtecksignal zu erzeugen, vorausgesetzt der eingesetzte Pull-Up-Wiederstand ist passend gewählt. Was ich nun noch wissen müsste, um die Schaltung dimensionieren zu können wäre die Größe des verwendeten/zu verwendenden Widerstandes, die vorgesehenen Fall/Rise-Zeiten, die der Aquaero noch als sauberes Signal anerkennt, sowie ggf. die interne Kapazität des Tachoeingangs, gegen die ich mit meinem Pull-Up-Wiederstand anstinken muss.
Hier geht's zum RGBAmp
Hinweis: Der RGBAmp stammt nicht von AC und wird nicht offiziell supported!
Note: The RGBAmp is not an AC product and isn't officially supported.

sebastian

Administrator

Montag, 21. März 2011, 07:05

Verstehe doch endlich, du musst da gar nichts anpassen, am flow sensor eingang wir nur ein Normaler Tranistor mit einem Open Colletor angeschlossen, den rest macht das aquaero.
Wenn du was anderes machen willst, dann tue es, aber ohne jegliche Garantie oder Hilfe unsererseits.
Wie du den Transistor ansteuerst ist egal,.. da ja das ae nur den OC Ausgang sieht.

drdeath

Senior Member

Montag, 21. März 2011, 08:20

Verstehe doch endlich, du musst da gar nichts anpassen, am flow sensor eingang wir nur ein Normaler Tranistor mit einem Open Colletor angeschlossen, den rest macht das aquaero.


Das wollte ich ja nur wissen. Wenn euer Aquaero mir einen vorgespannten Eingang für einen Open-Collector zur Verfügung stellt, mache ich den Rest.
Hier geht's zum RGBAmp
Hinweis: Der RGBAmp stammt nicht von AC und wird nicht offiziell supported!
Note: The RGBAmp is not an AC product and isn't officially supported.